F6AGV : ACTUALITE du RADIO AMATEURISME
F6AGV
Actualité et
promotion du radioamateurisme
mardi 15 octobre 2013
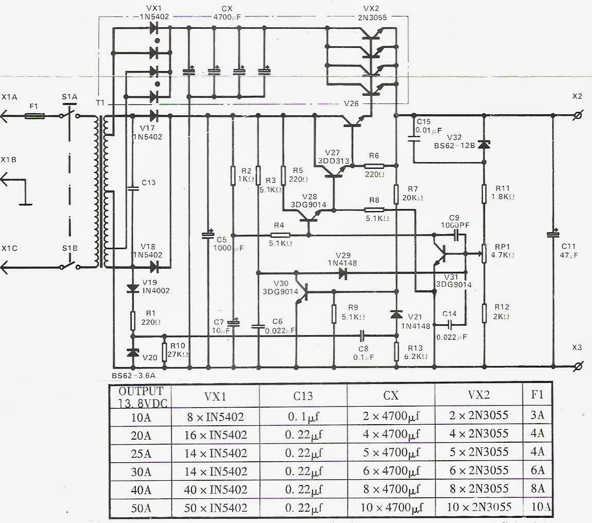
ALIMENTATION 13,8 volts à TRANSISTORS 2N3055 - 10 à 50 A
f6agv (AT) free.fr
Articles plus récents
Articles plus anciens
Accueil
Inscription à :
Commentaires (Atom)